产品搜索

西陇化工试剂+

移液产品+

色谱分析产品+

常规与安全防护耗材+

实验玻璃、塑料器皿+

实验室用标签+

默克Merck试剂+

分析标准品+

水质与环境分析产品+

食品饮料行业产品+

实验仪器与设备+

SK试剂+

  • 体积测量

  • PARAFILM® M 封口膜

CONTACT US

联系我们

微信:surprise1718

Q Q:2197655602

传真:13017663786

邮箱:biolabworld@163.com

公司地址:郑州高新技术产业开发区迎春街52号

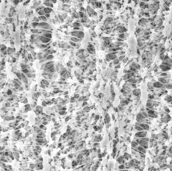
密理博Millipore LCR表面滤膜,PTFE,0.45um,FHLC04700

价格:¥3773.00

起批量:≥1件

产品品牌:默克密理博

产品型号:LCR MEMBRANE .5UM WH PL 47MM 100/PK

立即购买
类型其他材质LCR MEMBRANE .5UM WH PL 47MM 100/PK适用对象液体,气体及颗粒物过滤
适用范围实验室过滤产品用途液体,气体,杂质,细菌等样式圆片过滤膜
品牌Merckmillipore目数见资料(目/英寸)工作温度见资料(℃)
性能见资料或咨询我公司型号见资料

FHLC04700

Milliporel滤膜常用材质说明:

MF-Millipore MCE混合纤微素膜

Durapore PVDF聚偏二氟乙烯

Millipore Express PES改良聚醚砜

Fluoropore PTFE w/ backing -Polytetrafluoroethylene PTFE膜

Mitex PTFE w/o backing PTFE膜

LCR PTFE hydrophilic PTFE膜,HPLC专用

NY Nylon尼龙

AP25/APFF/AP40玻璃纤维滤膜

Isopore聚碳酸酯膜

 

  Millipore滤膜常用规格:

  直径:25mm, 47mm,90mm,142mm

   表面滤膜常用孔径:

   0.1um,0.22um,0.45um,0.65um,0.8um,1.2um,3um,5um,8um,10um,12um

   网格膜常用孔径:

   10um,11um,20um,30um,41um,60um,80um,100um,120um,140um,160um,180um。


订货及询价请致电郑州莱浦生物科技有限公司 400 1177 202 或 135 2674 1092、130 1766 3786QQ:2197655602。



400-1177-202

2197655602