微信:surprise1718
Q Q:2197655602
传真:13017663786
邮箱:biolabworld@163.com
公司地址:郑州高新技术产业开发区迎春街52号
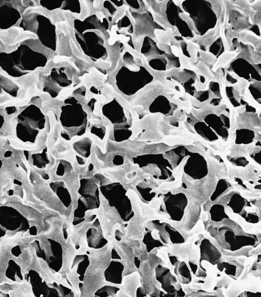
| 类型 | 微孔滤膜 | 材质 | DURAPORE PVDF .22UM WH PL 90MM 50/PK | 适用对象 | 液体,气体及颗粒物过滤 |
| 适用范围 | 实验室过滤 | 用途 | 液体,气体,杂质,细菌等 | 样式 | 圆片过滤膜 |
| 品牌 | Merckmillipore | 目数 | 见资料(目/英寸) | 工作温度 | 见资料(℃) |
| 性能 | 见资料或咨询我公司 | 型号 | 见资料 |

Milliporel滤膜常用材质说明: |
MF-Millipore MCE混合纤微素膜 |
Durapore PVDF聚偏二氟乙烯 |
Millipore Express PES改良聚醚砜 |
Fluoropore PTFE w/ backing -Polytetrafluoroethylene PTFE膜 |
Mitex PTFE w/o backing PTFE膜 |
LCR PTFE hydrophilic PTFE膜,HPLC专用 |
NY Nylon尼龙 |
AP25/APFF/AP40玻璃纤维滤膜 |
Isopore聚碳酸酯膜 |
Millipore滤膜常用规格:
直径:25mm, 47mm,90mm,142mm
表面滤膜常用孔径:
0.1um,0.22um,0.45um,0.65um,0.8um,1.2um,3um,5um,8um,10um,12um
网格膜常用孔径:
10um,11um,20um,30um,41um,60um,80um,100um,120um,140um,160um,180um。
订货及询价请致电郑州莱浦生物科技有限公司 400 1177 202 或 135 2674 1092、130 1766 3786。QQ:2197655602。
400-1177-202
2197655602